Billedgalleri
(1/7)
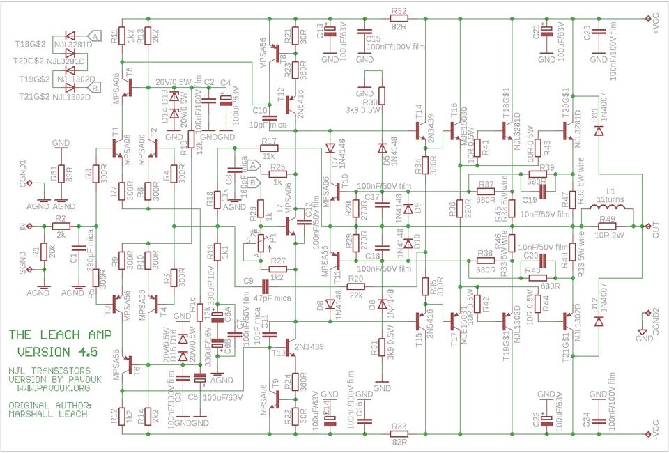
Leach - Marshall LOW T.I.M. stereo amplifier PCB
Til salg
200 kr.
Bed sælgeren om at sende med Fiks færdig! Det er trygt, hurtigt, og varen vil blive sendt til dig. Læs mere
Varebeskrivelse
Stand: Som ny - ingen synlige brugsspor
Mærke: Marshall
Oprydning
Et færdigt stereo-print med alle komponenter i bedste kvalitet til Marshall Leach's kendte low T.I.M. forstærker ...
Nippon Chemicon , Wima , Philips PP plus de bedste drivere.
Gætter på at stereo printet er fra ca år 2000....lagt ud på CadInt.... nåede aldrig at teste printet pga. tusind andre projekter.
Her er en let mulighed for at samle Marshall Leach' ver. 4.5 200W forstærker
....har ikke mulighed for at hjælpe med Leach projektet....det er en DIY opgave..
Afhentes i Herlev...sendes ikke
Bemærk: Knappen til at vise den fulde beskrivelse har kun en visuel effekt.
Brugerprofil
Du skal være logget ind for at se brugerprofiler og sende beskeder.
Log indAnnoncens metadata
Sidst redigeret: 7.4.2026 kl. 12:42 ・ Annonce-ID: 20229929


