
Billedgalleri
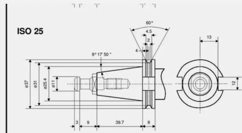
SK25 / ISO25 værktøjsholder, SCHAUBLIN - SK25 / ISO25
Til salg
2.400 kr.
Varebeskrivelse
SK25 / ISO25 værktøjsholder, SCHAUBLIN - SK25 / ISO25, Der er solgt 16 stk af dem til spændetængerne køb resten for 2.400 Kr. For de sidste 45 Stk.
SCHAUBLIN Værktøjsholder kaldt SK25 og eller ISO25 brugt men i rimelig kvalitet klart der kan være brugsspor, ikke hakket osv.
Og alle ved jo godt at SCHAUBLIN er toppen af poppen. (Fås ikke beder)
Jeg syntes de er flotte, men klart en fordel selv at afhente så de er be set ved afhentning ellers på eget ansvar.
De kan sendes på købers regning eller afhentes på 7600 Struer.
Vil du købe alle 61 Stk, så finde vi en god pris ellers ud over det gives der ikke rabatten så skal det være mange når der plukker ud.
Se alle mine annoncer. (Kopier lind og indsæt.)
https://www.dba.dk/saelger/privat/dba/4513423?sort=relevance&q=
Brugerprofil
Du skal være logget ind for at se brugerprofiler og sende beskeder.
Log indAnnoncens metadata
Sidst redigeret: 24.1.2025 kl. 10:34 ・ Annonce-ID: 1899227











