Fiks færdig
Billedgalleri
(1/5)
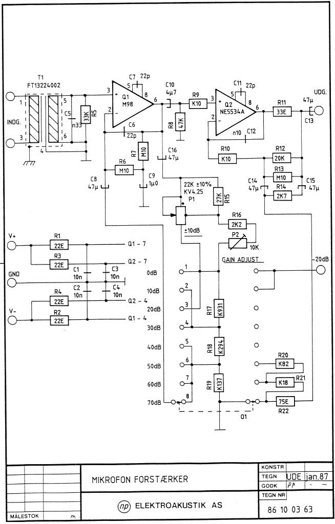
Mikrofon input transformere, fra NP IK42 kanaler
Til salg
Fiks færdig
300 kr.
Fragt fra 29,99 kr. + Tryg betaling 19 kr.
Tryg handel med Fiks færdig
Fiks færdig er DBA's nye betalings- og fragttjeneste. Efter levering har du 24 timer til at kontrollere varen, før pengene udbetales til sælgeren.
Varebeskrivelse
Stand: Brugt - men i god stand
Flotte og vellydende Mic input transformere fra nogle ældre NP IK42 kanaler som desværre ikke kunne reddes. De er professionelt udloddet og i god stand. Jeg har diagram liggende, så man kan få inspiration til implementering. Zobel netværk og load resistor etc.
300 kr stykket eller 1000 kr for dem alle 4. Skriv en besked hvis du vil købe mere end 1.
Bemærk: Knappen til at vise den fulde beskrivelse har kun en visuel effekt.
Brugerprofil
Du skal være logget ind for at se brugerprofiler og sende beskeder.
Log indAnnoncens metadata
Sidst redigeret: 1.2.2026 kl. 13:56 ・ Annonce-ID: 18246101