Billedgalleri
(1/7)
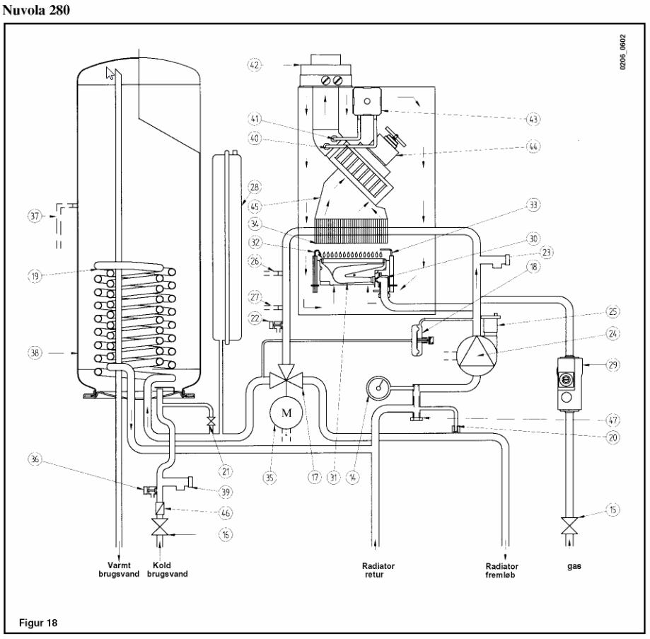
BAXI NUVOLA 280Fi varmtvandsholder
Til salg
500 kr.
Bed sælgeren om at sende med Fiks færdig! Det er trygt, hurtigt, og varen vil blive sendt til dig. Læs mere
Varebeskrivelse
Stand: Helt ny - uåbnet/med prismærke
BAXI NUVOLA 280Fi varmtvandsholder
Nuvola 280 Fi er en gaskedel med indbygget varmtvandsbeholder på 60 liter.
Er din varmtvandsbeholder meget tilkalket eller er den måske blevet utæt kan du komme billigt til en ny.
Der er 5 stk. der sælges for 500,- kr. pr. stk.
Nypris ca. 6.500,- inkl. moms pr. stk.
Bemærk: Knappen til at vise den fulde beskrivelse har kun en visuel effekt.
Brugerprofil
Du skal være logget ind for at se brugerprofiler og sende beskeder.
Log indAnnoncens metadata
Sidst redigeret: 12.4.2026 kl. 16:38 ・ Annonce-ID: 12741737